Solutions
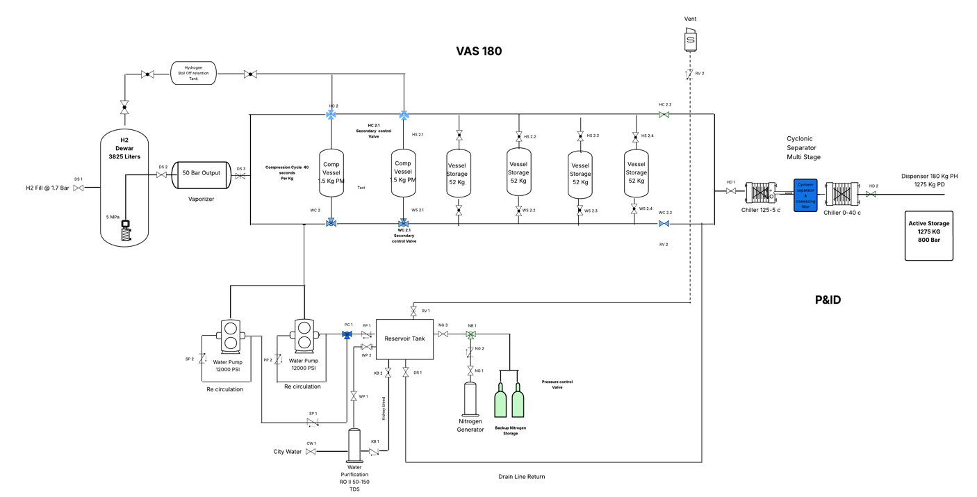
VAS 180
VAS 180 compresses 180 Kg of Hydrogen gas per hour with 208 Kg of storage maintained at a constant pressure of 800 bar.
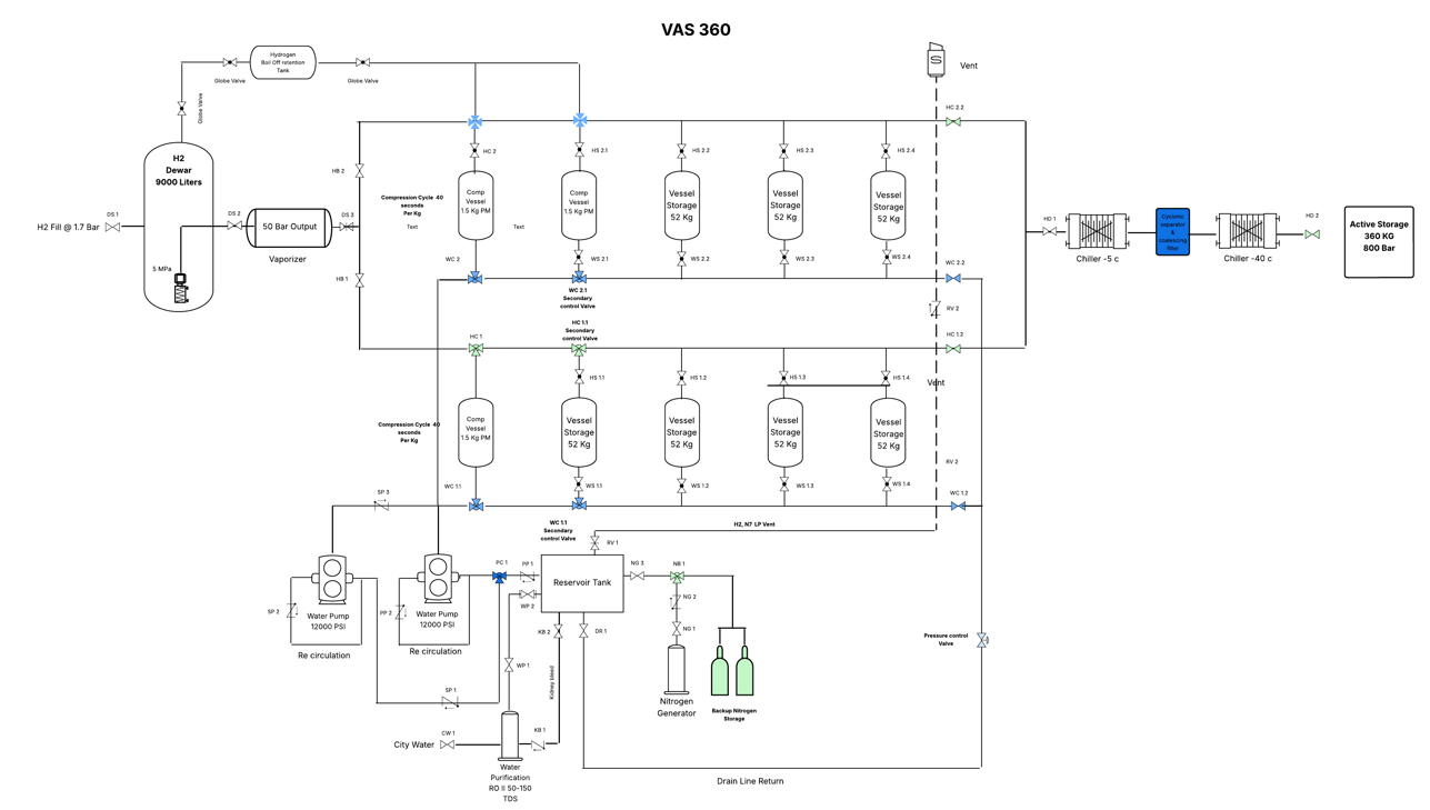
VAS 360
VAS 360 compresses 360 Kg of Hydrogen gas per hour with 416 Kg of storage maintained at a constant pressure of 800 bar.
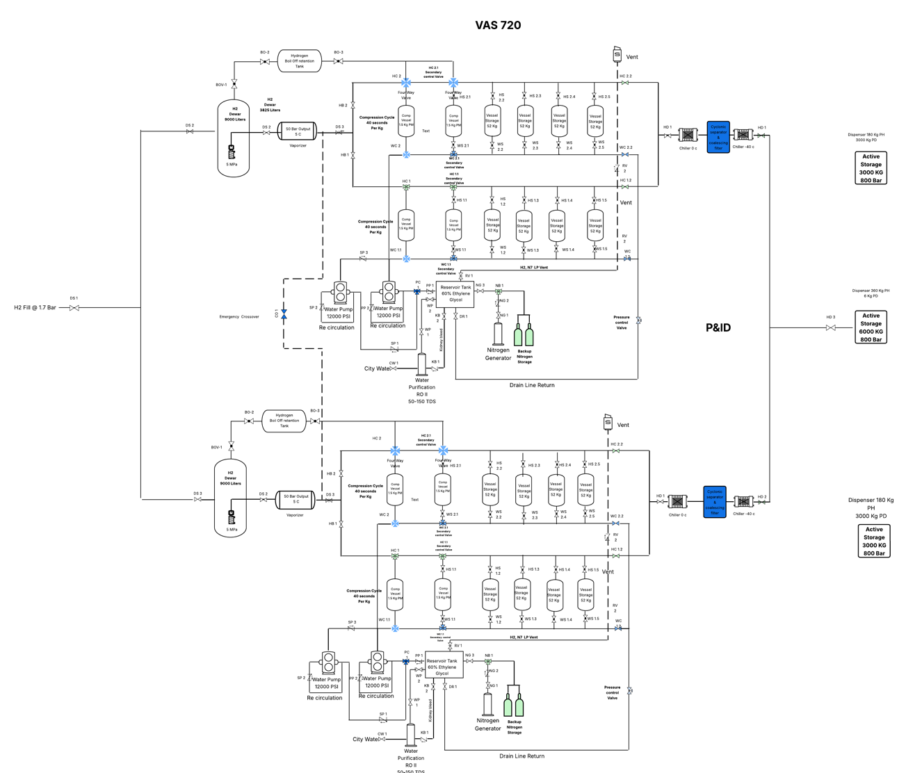
VAS 720
VAS 720 compresses 720 Kg of Hydrogen gas per hour with 832 Kg of storage maintained at a constant pressure of 800 bar.
